首页
产品中心DL袋式过滤器系列
产品参数
产品特点
无螺栓设计,无工具辅助开盖,15秒内开合过滤器
内置弹簧或气压杆辅助开盖,单手即可翻盖
内部三点式压紧装置,独特密封,避免旁漏
最高设计压力可达1.6MPa
设备材质可选不锈钢304、316L、碳钢等材质
耗材经济突出
应用行业
汽车涂装
食品、饮料、制药
化工、石油
油漆、油墨、树脂和涂料
市政用水处理
工业水处理
纸浆与纸张
葡萄酒罐装
技术规格
| 产品型号 | 过滤面积(m²) | 滤袋规格(mm) | 滤袋容积(L) | 最高流速(m³/h) |
| 2P2S | 1m² | Φ180 X 810 | 34L | 82m³/h |
| 3P2S | 1.5m² | Φ180 X 810 | 51L | 120m³/h |
| ... | ... | Φ180 X 810 | ... | ... |
| 32P2S | 16m² | Φ180 X 810 | 544L | 1280m³/h |
注:实际参数根据实际情况而定
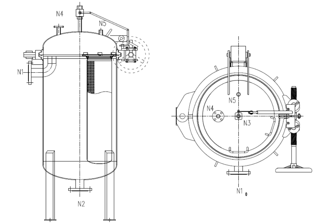
外形尺寸

注:实际图纸根据实际情况而定
| 参数规格 | 3袋 | 4袋 | 5袋 | 6袋 | 7袋 | 8袋 |
| N1(进口)/ N2(出口) | DN100 PN10 | DN125 PN10 | DN125PN10 | DN150 PN10 | DN150 PN10 | DN200 PN10 |
| N3(排气口) | RC ½’’ | RC ½’’ | RC ½’’ | RC ½’’ | RC ½’ | RC ½’’ |
| N5(压力表口) | RC ½’’ | RC ½’’ | RC ½’’ | RC ½’’ | RC ½’ | RC ½’’ |
| N4(排污口) | RC¼’’ | RC¼’’ | RC¼’’ | RC¼’’ | RC¼’ | RC¼’ |
| 净重量 | 156KG | 215KG | 234KG | 257KG | 284KG | 316KG |
注:实际参数根据实际情况而定
选型表
|
|
|
|
|
|
|
| DN FILTER | 摇臂式过滤器 | 2P:2袋 3P:3袋 ... 8P:8袋 16P:16袋 32P:32袋 |
|
|
|
|
注:实际参数根据实际情况而定
相关产品
